|
|
您当前位置
-> 产品展示 |


 |
| |
| 产品列表 |
| |
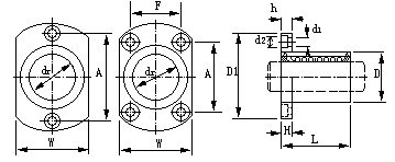
| 轴承型号 |
球列数 |
外型尺寸 (mm) |
法兰盘 |
径摆 (μm) |
额定负荷(n)
|
质量(g) |
|
FW |
D |
L |
Df |
W |
t |
P |
M |
动负荷 |
静负荷 |
| LMH-6 |
4 |
6 |
12 |
19 |
28 |
18 |
5 |
20 |
M3 |
12 |
200 |
260 |
26 |
| LMH-8 |
4 |
8 |
15 |
24 |
32 |
21 |
5 |
25 |
M3 |
12 |
260 |
400 |
40 |
| LMH-10 |
4 |
10 |
19 |
29 |
40 |
25 |
6 |
29 |
M4 |
12 |
370 |
540 |
78 |
| LMH-12 |
4 |
12 |
21 |
30 |
42 |
27 |
6 |
32 |
M4 |
12 |
410 |
590 |
76 |
| LMH-13 |
4 |
13 |
23 |
32 |
43 |
29 |
6 |
33 |
M4 |
12 |
500 |
770 |
94 |
| LMH-16 |
5 |
16 |
28 |
37 |
48 |
34 |
6 |
38 |
M4 |
12 |
770 |
1170 |
134 |
| LMH-20 |
5 |
20 |
32 |
42 |
54 |
38 |
8 |
43 |
M5 |
15 |
860 |
1370 |
180 |
| LMH-25 |
6 |
25 |
40 |
59 |
62 |
46 |
8 |
51 |
M5 |
15 |
980 |
1560 |
340 |
| LMH-30 |
6 |
30 |
45 |
64 |
74 |
51 |
10 |
60 |
M6 |
15 |
1560 |
2740 |
460 | |
|
|