|
|
您当前位置
-> 产品展示 |


 |
| |
| 产品列表 |
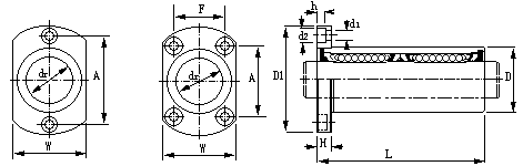
| |
| 轴承型号 |
球列数 |
外型尺寸 (mm) |
法兰盘 |
径摆 (μm) |
额定负荷(n)
|
质量(g) |
|
FW |
D |
L |
Df |
W |
t |
P |
M |
动负荷 |
静负荷 |
| LMH-6L |
4 |
6 |
12 |
35 |
28 |
18 |
5 |
20 |
M3 |
12 |
320 |
320 |
31 |
| LMH-8L |
4 |
8 |
15 |
45 |
32 |
21 |
5 |
24 |
M3 |
12 |
430 |
780 |
53 |
| LMH-10L |
4 |
10 |
19 |
55 |
40 |
25 |
6 |
29 |
M4 |
12 |
580 |
1100 |
105 |
| LMH-12L |
4 |
12 |
21 |
57 |
42 |
27 |
6 |
32 |
M4 |
12 |
650 |
1200 |
100 |
| LMH-13L |
4 |
13 |
23 |
61 |
43 |
29 |
6 |
33 |
M4 |
12 |
810 |
1570 |
130 |
| LMH-16L |
5 |
16 |
28 |
70 |
48 |
34 |
6 |
38 |
M4 |
12 |
1230 |
2350 |
187 |
| LMH-20L |
5 |
20 |
32 |
80 |
54 |
38 |
8 |
43 |
M5 |
15 |
1400 |
2750 |
260 |
| LMH-25L |
6 |
25 |
40 |
112 |
62 |
46 |
8 |
51 |
M5 |
15 |
1560 |
3140 |
515 |
| LMH-30L |
6 |
30 |
45 |
123 |
74 |
51 |
10 |
60 |
M6 |
15 |
2490 |
5490 |
655 | |
|
|